Weekly Spotlights
This page is a collection of weekly spotlights that highlight the progress of the omnibase team. Each spotlight is a summary of the work done by the team in a week.
Member status:
- 🔍: Research
- 💻: Development
- 📝: Documentation
- 🔄: Refactoring
- 🔧: Bug fixing
- 🤝: Participation in other subteam
2026-03-24
| Name | Stauts |
|---|---|
| Fregoso | 🤝 |
| Ximena | 💻 |
| Roger | 💻 |
| Jordan | 💻 |
| Samuel | 🤝 |
| Daniel hinojosa | 💻 |
| Justino | 💻 |
| Ale G. | 💻 |
| Ian | 💻 |
Development: - Completed the first general documentation of the omnibase. - Made corrections to the base CAD model. - Currently printing the fixed gearboxes for the base motors. - Started an initial simulation of the base in Webots instead of Gazebo.
2026-03-10
| Name | Stauts |
|---|---|
| Fregoso | 🤝 |
| Ximena | 💻 |
| Roger | 💻 |
| Jordan | 💻 |
| Samuel | 🤝 |
| Daniel hinojosa | 💻 |
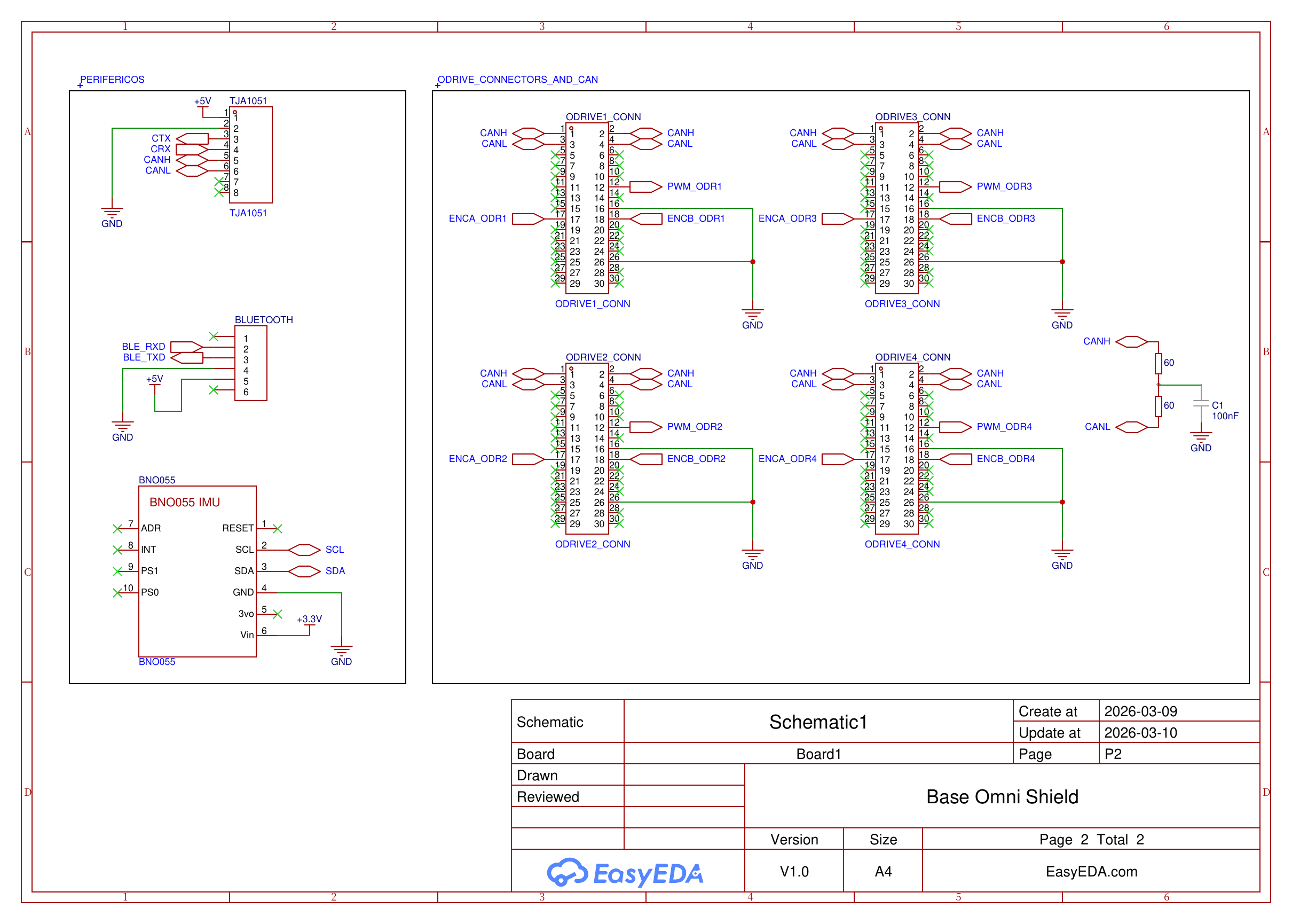
Development: - First progress on the PCBs for motor control and odometry implementation on the omnibase.

- Implementation of configuration and control functions via CAN for the ODrives on the STM32.
- Started the motor mount design, adapting the previous motor anchoring to the 4040 extrusion profile.